企业信息 Information

公司名称:佛山市禅城区广兴成五金厂

法人代表:陈棣新

注册地址:佛山市石紫商业街5排5号

所属行业:金属制品业

更多行业:建筑、家具用金属配件制造,建筑、安全用金属制品制造,金属制品业,制造业

江门市新会区鸿津不锈钢制品 高品质线切割模具及不锈钢杂件供应

公司简介 COMPANY

经营范围:加工:线切割模具、五金杂件。

公司简介: -

产品列表

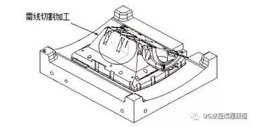
线切割技术在模具制造中的应用与优势

更新时间:2026-04-18 14:15:19

宋立安线切割模具技术解析与应用前景

更新时间:2026-04-18 13:54:18

线切割技术在模具制造中的应用与优势

更新时间:2026-04-18 11:54:02

第3章 五金杂件线切割加工工艺详解

更新时间:2026-04-18 10:08:10

联系我们 Contact

电话:-

地址:佛山市石紫商业街5排5号

友情链接: 北京中小企业网站建设 网络科技 技术服务 办公用品 计算机信息技术开发 网络与信息安全软件开发 计算机软硬件的研发及销售 农产品 第二类增值电信业务 农副产品销售 仓储服务 箱包销售 代理代办 广告设计 技术服务 网络技术服务 增值电信业务 水泥制品 人工智能基础软件开发 人力资源管理咨询服务 体育用品 汽车零配件批发 建筑材料订货和销售及管理服务 电脑网络软件的技术开发 机械设备 园林绿化工程施工 美容护肤品 餐饮管理 广告设计 网络技术服务 商品信息咨询服务 互联网销售 信息咨询服务 植物提取物研发 北京软件开发 网络与信息安全软件开发 财务咨询 水处理设备 项目信息 均四甲苯 技术服务 装饰设计 导航 计算机及通讯设备租赁 净水器 农产品 科技企业孵化 广告设计 计算机网络工程施工 日用百货销售 配电箱 技术服务 计算机系统服务 石墨 生物科技研究开发 组织表演活动 信息咨询服务 电子商务服务 家居用品 网络技术服务 陕西种苗 计算机软件开发 建筑材料 工程陶粒 气动执行器 服饰 实验小学 环保科技 钢板 上海同震实业有限公司 北京麦阳咨询有限公司 海口龙华斐洛企业管理工作室 阳光电源股份有限公司 重庆单凡科技有限公司 河南逗乐科技有限公司 成都阳光熹禾电气有限公司 武汉威特科贸发展有限责任公司 象山至尚网络科技工作室 上海领烨信息科技有限公司 深州市新思维家居定制厂 上海慕芷科技有限公司 启东沪美装饰设计有限公司 合肥东篱网络技术有限公司 苏州朗威通讯有限公司 荣成市悦尚贸易有限公司 广西万利佳贸易有限公司 北京彩鸿达科技有限公司 盐城南云网络科技有限公司 杭州朝真科技有限公司 重庆途旅旅行社有限公司 厦门微讯信息科技有限公司 北京喜云网络科技有限公司 大连美逸佳布艺 安庆明冠信息科技有限公司 广州市蓝越网络科技有限公司 北京庆鸿双茂科技有限公司 上海萌栈网络科技有限公司 杭州数脉科技有限公司 武汉极点创新软件技术有限公司 珈盈美发(南京)有限公司 合肥市勘吹电子商务有限公司 北京安艺迪洋商贸有限公司 永春智富文化传播有限公司 天气预报 北京泰茂宇丰科技公司
Top